四 安装方法:
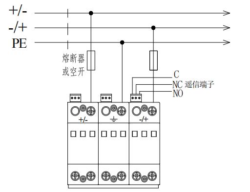
1 安装接线如图所示。
2 电源连接导线用不小于 6mm2的多股铜线,接地线用不小于 10mm2的多股铜
线。连接线应尽量的短、直、粗。地网接地电阻:R≤4Ω,扭力:1.8 -2.2Nm。
3 防雷器前端应串联合适的熔断器或空开。
4 安装时必须断开电源,严禁带电操作,连接导线必须符合要求。
5 安装完毕后将模块插入到位,检查工作是否正常。
6 当模块故障显示窗口指示红色时,遥信端子输出告警信号,表示防雷器发生
故障,应及时更换。防雷器无须特别维护,只需定期检查其连接是否有松动,
状态指示是否正常。
五 安装注意事项:
1 安装时必须断开电源,严禁带电操作,连接导线必须符合要求。
2 安装完毕后将模块插入到位,检查工作是否正常。
3 当模块故障显示窗口指示红色时,表示防雷器发生故障,应及时更换。防雷
器无须特别维护,只需定期检查其连接是否有松动,状态指示是否正常。
六 安装接线图:
